Характеристики

Панель оператора MLI101

Основные функции

Отображение данных

Отображение строковых данных в двух условных областях экрана:

Верхний блок – 1 строка до 6 символов
или 2 строки до 16 символов,
Нижний – до 15 символов;

Управление видимостью и цветом

Управление видимостью и цветом свечения каждого блока. Осуществляется поддержка 7 цветов.

Обновление

Обновление встроенного ПО через интерфейс Modbus

Контроль связи

Контроль связи с управляющим контроллером

Сброс к заводским настройкам

Сброс к заводским настройкам с помощью джампера

Отображение QR-кодов

Отображение QR-кодов фискального чека

Принцип работы

Взаимодействие с индикатором

Взаимодействие с индикатором осуществляется по протоколу Modbus RTU, где индикатор выступает в роли Slave устройства. Взаимодействие происходит в два этапа:

1)Осуществляется выбор режима работы, передаются данные для отображения на устройстве.

2)Передается команда на обновление отображаемых данных.

Функция контроля связи с мастером сети

В индикаторе предусмотрена функция контроля связи с мастером сети. В случае отсутствия команды от мастера сети в течении определенного времени (30 секунд), индикатор формирует сообщение об отсутствии связи и находится в данном состоянии до получения последующей команды от мастера.

Регистры Modbus

Все регистры Modbus имеют тип Holding Registers и доступны для чтения командой 0x03, а для записи командами 0x06 или 0x10.

Связь по интерфейсу RS485

Параметры связи по интерфейсу RS485 – биты данных 8, стоп бит 1, контроль чётности отсутствует.
Скорость обмена по интерфейсу RS485 определяется конфигурационным параметром.

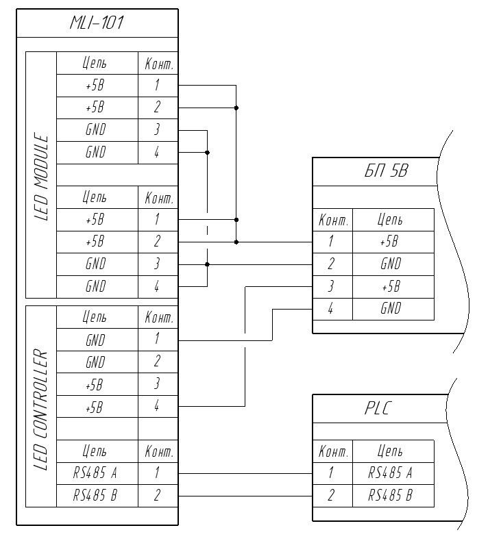
Схема подключения


Технические параметры

ХарактеристикаМинимальное и максимальное значенияПримечение
Диапазон
напряжений питания, В
Min - 4,5В
Max - 5,5В
С сохранением функциональности
Допустимые пульсации
напряжения питания, мВ
Min - n/a
Max - 200
Амплитудное значение
Допустимое напряжение на
выводах питания, В
Min - 5,5В
Max - 7,5В
С сохранением работоспособности после снятия
Потребляемый ток, А
Min - 0,1
Max - 7,0
Мин - с выключенной засветкой дисплея,
Макс - с полной засветкой при максимальной яркости

Масса-габаритные показатели

ХарактеристикаЗначение
Разрешение светодиодной
матрицы, пиксель
128х64
Габаритные размеры,
мм
256х128х15 (ШхВхГ)
Масса, кг
0,4
Шаг между светодиодами, мм
2,0

Эксплуатационные параметры

ХарактеристикаЗначение
Средний срок службы
не менее 5 лет
Гарантийный срок
1 год

Ссылки на скачивание

Заказ обратного звонка

Оставьте свой телефон и мы перезвоним в удобное для вас время!

Заказ обратного звонка

Мы перезвоним!

Не знаете с чего начать?

Ответим на вопросы и поможем выбрать продукт.

Документы

Присоединяйтесь

© ООО "Вайт Лайт". Все права защищены.